Table of Contents
KORG X2 Self-Repair
개요
이 위키 문서는 X2의 아날로그 출력 불량(잡음) 문제를 해결해 나가는 과정을 기록하기 위해 만든 것이다. 나의 공식 블로그인 https://blog.genoglobe.com/에도 “[KORG X2 Self-Repair]” 또는 “건반을 고쳐보자”라는 제목을 단 글이 여럿 존재한다. 이는 X2의 수리 전반에 대한 경험을 가볍게 에세이 형식으로 쓴 것들이다. 예를 들자면,
- 건반을 고쳐보자(5) - Korg X2의 액정 백라이트 교체 - 2017년 5월 28일
- [KORG X2 Self-Repair] 출력 단자와 tactile switch의 수리를 마치다 - 2025년 3월 22일
나의 공식 블로그에서 'KORG X2'를 포함하는 모든 글은 여기를 클릭하면 나온다. X2의 매뉴얼 등 파일 자료는 상위 페이지인 My old synths and MIDI에 있다.
X2 서비스 매뉴얼 7장 'Test mode'에 의하면 [5]+[ENTER]를 누른 상태에서 전원을 켰을 때 internal & external test를 수행하게 된다(사전에 준비할 것이 많으니 매뉴얼 참조). External test만 진행하려면 [8]+[ENTER]를 누른 상태에서 전원을 켠다. 첫 단계인 패널 스위치와 LCD 픽셀 테스트까지는 무사히 진행하였으나, FDD test는 실패하였다. 디스크 드라이브가 고장난 상태이기 때문이다. 그 뒤로는 테스트를 진행할 수 없었다.
오디오퍼브의 user talks 게시판에도 도움을 요청하는 글 'Korg X2 잡음 개선에 대한 아이디어를 구합니다'을 올려 두었다. 덧글을 통해 수리 힌트를 얻을 수 있을 것으로 생각한다.
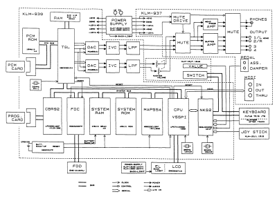
다음은 X2 회로 전체에 대한 블록 다이어그램이다. 회로도는 아래의 사진 자료 섹션에 실어 두었다.
- IVC는 무엇의 약자인가? IVC는 current-voltage converter를 의미하며, DAC에 이어서 쓰이는 경우가 있다고 한다. X2/X3에 쓰이는 PCM69AU는 current type의 18-bit DAC이므로 출력에 IVC가 연결되어 있어야 한다.
- Mute 회로는 어떻게 구현되는가? 다음은 X2 회로도에서 재구성한 mute drive 회로이다. F(+5V)와 G(-12V) 사이의 전압이 일정 수준까지 오르지 않으면 아날로그 신호가 흐르는 선을 그라운드로 떨구는 회로라고 생각된다.
단순한 사용자가 이런 궁금증을 가질 필요는 없겠지만… 참고를 위해 X3와 N264(76건반)/N364(61건반)의 블록 다이어그램도 실어 둔다. DAC부터 아날로그 출력 단자에 이르는 회로가 조금씩 다음을 염두에 두도록 하자. 출력 단자의 수에도 관심을 가질 것. X2는 Korg X-serise 중 가장 먼저 나온 것으로 61건반이며, 아날로그 출력은 3/4번은 없다. 반면 N -series는 X-series보다 동시 발음 수가 2배(64개)로 높아진 후속 모델이라 볼 수 있으며, 아날로그 출력에 3/4번이 있다.
Output routing and effect processors
Effect placement를 변경하면 output 3/4(or C/D)로 비로소 소리가 나게 만들 수 있다. 소리를 C/D로 보내는 레벨(Send C & D)은 프로그램 및 콤비마다 별도로 설정하게 된다. 만약 이것을 0으로 해 두면, effect placement를 통해 C/D로 신호를 보내도 소리가 나지 않는다.
Effector placement의 자세한 사항은 레퍼런스 가이드 59쪽 “7E effect placement”를 참조하여라.
여러 포럼에서 찾은 관련 증세 및 수리 정보
Korg의 vintage synth에서 발생하는 잡음 관련 문제 해결 정보를 모으고 있다.
Korg M1 Noise Output M5216L을 교체하여 문제를 해결하였다고 한다.
용의자 찾기
정녕 "recap"이 필요한가?
회로 전체를 꼼꼼하게 살펴 보았지만 전해 캐패시터가 터졌거나 누액 및 부식이 발생하지는 않았다. 다음의 글은 Why and when to recap a synth에서 발췌한 것이다.
The only other time I would recap a synth is if the caps are cosmetically bad.
물론 이 원본 URL의 사진에 나오듯이 기판에서 떼어내서 밑바닥을 들여다보고 나서야 전해 캐패시터의 누액 여부를 비로소 확인할 수 있는 경우도 있을 것이다.
전원회로(KLM-1649)
아날로그 양전원의 대칭이 잘 맞지 않는다. +11.78V, -12.03V로 측정되었다. 부하로 연결되는 커넥터 CN7A와 CN8A를 제거해도 측정된 전압이 그대로인 것으로 보아 전원회로를 구성한 부품이 오랜 시간이 지나면서 특성이 변동된 것으로 보인다. 이러한 비대칭 전원전압이 잡음의 원인인지는 아직 확실하지 않다. 외관을 살펴보았을 때 열이 발생하였거나 누액 또는 부식이 있었던 흔적은 전혀 없이 매우 깨끗하므로, 전원 보드의 일부 부품을 바꾼다 해도 무엇이 대상이 될지는 알기 어렵다.
만약 실험을 거쳐서 양질의 전원이 문제를 해결할 수 있음을 확신하게 된다면, 5V/12V/-12V를 전부 제공하는 Mean Well RT-65B(64.6W) 같은 것으로 전원부를 완전히 대체할 수도 있을 것이다. 실제로 Eurorack system에서 이를 사용하고 있다. 국산 오리엔트전자의 제품으로는 RP50-DE, VSF15-DD, VSF30-DD 등이 있다.
2025년 4월 2일, 두 개의 9V 건전지와 5V SMPS를 이용하여 전원을 공급하였더니 매우 양호한 결과를 얻었다(관련 글 https://blog.genoglobe.com/2025/04/korg-x2-self-repair.html). 다음 그림과 같이 전원부를 완전히 새로 만드는 것을 구상하게 되었다. LCD 백라이트(EL sheet)를 위한 교류 고전압은 기존 전원공급보드의 것을 그대로 쓰되 직류 +5V만 공급하면 될 것 같다. 아래 그림에서 회색으로 가린 곳은 기존 스위칭 전원의 제어를 위한 것이라서 꼭 쓰지 않아도 괜찮을 것이다.
2025년 4월 7일, 두 개의 전원 관련 보드가 배송되었다. ±12V dual voltage 공급용 보드는 판매자 웹사이트에 나온 사진과는 달리 SMD 부품을 사용한 것이었다.
국내산 300mA 전원트랜스포머를 연결하여 테스트를 해 보았다. 결과는? 괜찮은 것 같다.
다음과 같이 하이브리드 방식으로 전원부를 완전히 재구성하기로 하였다. 여기에서 하이브리드라 함은, (1)구 보드와 새 보드(X2 전용은 아님)의 혼합 사용 (2) 리니어 전원(아날로그 회로 구동)과 스위칭 전원(디지털 회로 구동)의 혼합 사용을 의미한다. 특히 새 보드의 5V는 이전 보드의 스위칭 전원부로 연결되어 EL sheet 점등용으로 쓰인다.
(2025-04-12) 전원장치를 전부 뜯어고쳤다. 이 작업 결과 강압트랜스포머를 쓰지 않고 220V로 작동할 수 있게 되었고, LCD 조명도 해결하였다. 그러나… 잡음은 별로 나아진 것 같지 않다. 아날로그 회로의 +/-12V의 약간의 불균형은 별 문제가 되지 않는 것 같다. 앞으로 무엇을 개선해야 될지 모르겠다. 헤드폰 출력으로 느껴지는 잡음은 매우 크지만, output 1&2의 출력을 PA amp로 증폭하면 아주 쓰지 못할 수준은 아니다.
(2025-05-11) 전원회로를 완전히 개조한 뒤 노이즈 레벨을 '측정'해 보았다(KORG X2의 잡음을 시각적으로 기록해 보다.
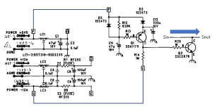
전원부를 완전해 개조한 뒤 새로 생긴 문제가 있다. 전원을 ON/OFF할 때 약간의 팝업 노이즈가 발생한다. 오실로스코프로 파형을 기록하여 아래에 사진을 남겼다. X축이 1V/div인 것을 감안하면 해결이 필요한 것 같다. 전원 보드를 개조하면서 mute drive 회로와 궁합이 잘 맞지 않는 것 같다. 두 종류의 전원을 순차적으로 들어오게 만들어 보자.
(2025-05-30) 전원을 올렸을 때 5V와 12V가 들어오는 순서를 점검해 보았다. 현재 개조된 전원장치 구성으로는 12V가 먼저 들어오고 나간다. 상세한 기록은 KORG X2의 팝업 노이즈 및 전원 공급 시퀀스의 기록에 남겨 두었다. 5V가 먼저 들어오도록 해야 팝업 노이즈가 사라질 것인가? 해 봐야 안다. 그리고 12V의 120Hz 리플이 매우 심하다는 것을 확인하였다. +/-12V의 대칭성도 별로 좋지 않다.
LCD 조명 문제
이것은 상대적으로 마이너한 문제일 수도 있다. 사실 어두운 곳에서 라이브를 하는 것이 아니라면, 백라이트가 망가졌다 해도 표시는 그런대로 보이기 때문이다. 위에서 논의한 바와 같이 전원 공급 체계를 완전히 바꾸게 되면 현재 장착된 EL sheet 백라이트에 공급할 전원이 마땅하지 않다. 플라스틱 판에 납작한 LED를 붙여서 자작 조명을 만드는 방법을 본 일이 있다. 여기에는 다양한 아이디어가 가능할 것이다.
망가진 휴대폰 디스플레이에서 LED를 이용한 백라이트를 잘라내서 재활용하는 유튜브 영상이 있어서 소개해 본다.
기존의 전원보드에서 EL 시트용 전원공급부만 이용하되, 새로 추가한 전원보드의 5V를 여기에 연결하였다. 관련 글은 여기를 참고하라. EL 시트 발광용 전원회로를 처음부터 완전히 새로 만드는 것도 가능할 것 같다.
메인보드(KLM-939)
DAC 칩: PCM69AU, op amp: μPC4570
아날로그 보드(KLM-937)
op amp 칩: M5216L(dual large-current operational amplifier), C4570HA(x2; dual ultra low-noise, wide band, operational amplifier; 'HA'는 9 pin slim SIP에 붙은 접미사)
2025년 3월 28일, ebay에서 'original' M5216L 두 개를 주문하였다. AliExpress에서는 훨씬 싼 값에 팔리지만 모조품이 아닌지 의심스럽다.
사진 자료
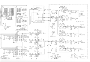
(각 이미지를 클릭하면 커집니다) 서비스 매뉴얼에서 발췌한 회로도를 추가하였다.
그런데 위 회로도는 아무리 살펴봐도 X2의 것이 아니다. 실제 보드에 쓰인 부품과 다르고, output 3/4도 표시되어 있지 않다. Mute drive 및 mute 회로도 보이지 않는다. 도면 아래에 인쇄된 KLM-1956은 아무리 구글링을 해 봐도 도대체 KORG의 어느 신시사이저에 들어간 메인보드인지 알 수가 없다. 차라리 X3의 전체 회로도를 참고하는 것이 더 나을 것 같아서 이를 인용해 두었다.
다음은 N264/N364의 전체 회로도이다.
N264/N364 service manual(PDF file)
다음은 X3와 N264/N364의 것을 참고하여 새로 만들어 본 X2의 회로도(일부)이다. 실제 내 X2의 회로기판에 꽂힌 주요 부품과 동일하다.
전체 사진
전원 보드(KLM-1649, 100V용)
출력에 해당하는 5핀 커넥터(CN7A, CN8A)의 형번은 B5B-EH라는 것이다. 피치는 2.5mm이다. 세개 그룹의 그라운드가 서로 어떻게 묶이고 있는지를 확인해 보라. +/-12V와 디지털(5V) 그룹은 10옴으로, 디지털 그룹과 AC 고전압(EL sheet용)은 직접 연결되었다.
메인 보드(KLM-939)
2개의 DAC(PCM69AU) 위로는 4개의 op amp(4570)가 자리잡고 있다. X2와 마찬가지로 출력이 4개인 N264의 경우는 회로도를 보면 IC21, IC22라 번호를 붙인 2개의 op amp로 모든 것을 다 해결한다(칩 하나에 amp 두 개가 들어 있음). 물론 N264는 TDA1305T라는 다른 타입의 DAC를 쓰고 있다. PCM69AU는 전류 출력이지만 TDA1305T는 전압 출력이다. 따라서 블록 다이어그램에 표현되어 있듯이 X2는 DAC-IVC-LPF의 구성을 충실히 따르고 있는 것이다.

![[7]+[ENTER]를 누른 상태로 전원을 켜면 이와 같이 시스템 버전을 표시한다. [7]+[ENTER]를 누른 상태로 전원을 켜면 이와 같이 시스템 버전을 표시한다.](/dokuwiki/_media/korg_x2/x2_system_version.jpg)










































